Подшипниковый узел UCT 215 75x167x121 LPZ
Внимание: для уточнения актуальной цены, наличия и условий поставки рекомендуем обратиться к менеджеру отдела продаж. Отгрузка отдельных позиций может занимать от 2 рабочих дней, так как товары находятся на разных складах на территории РФ.
- Технические характеристики и другая информация предоставляются для справки.
- Чертежи и изображения представлены для ознакомления
Условия заказа и доставки
- Продажи осуществляются только юридическим лицам
- Доставка в Белгороде выполняется через ТК: СДЭК, Деловые Линии, Возовоз, Энергия
- Для небольших подшипников действует минимальная партия
- Счета выставляются от 5000 руб.
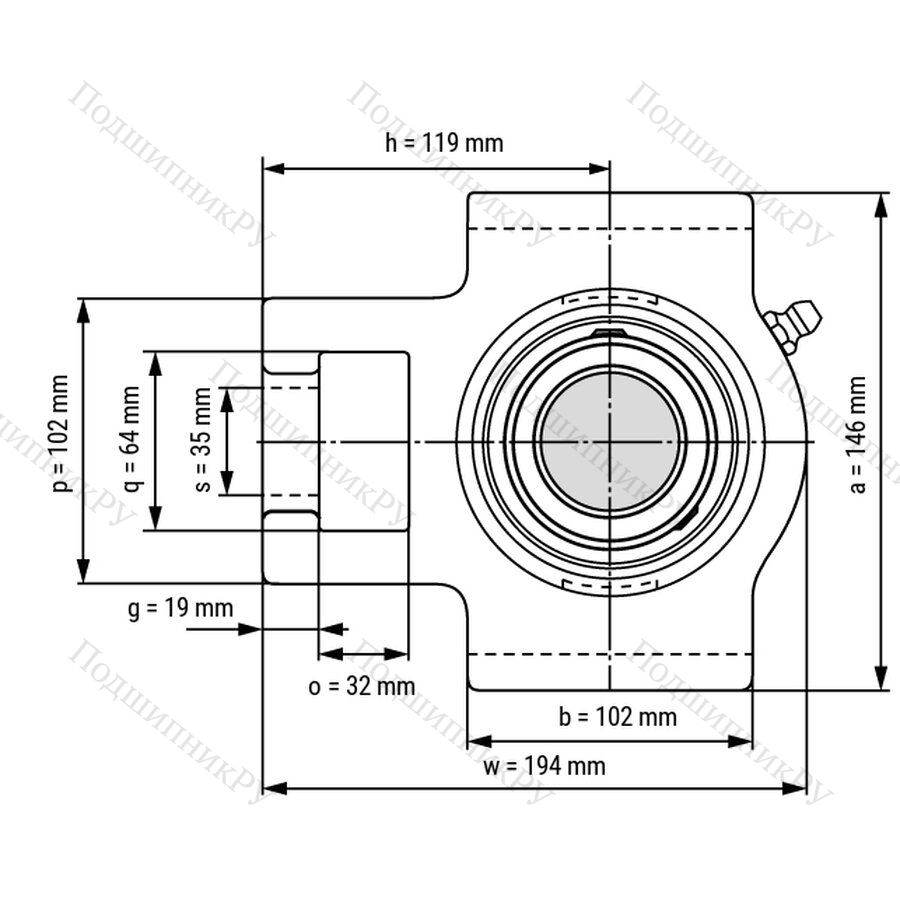
Подшипниковые узлы UCT 215 представляют собой элемент конструкции, который объединяет подшипник UC 215 и корпус подшипника T 215. Эти детали используются с целью создания опоры для вращающихся валов и фиксируются на рабочей поверхности при помощи болтов. Основные характеристики изделия: внутренний диаметр 75 мм, допуск на внутренний диаметр 0,024/0 мм, вес 5 кг.
- состоит из вкладыша шарикоподшипника UC 215 и чугунного корпуса T 215
- конструкция в виде корпуса радиального подшипника допускает смещение корпуса
- корпус изготовлен из чугуна и поэтому недорогой и прочный
- вкладыш подшипника имеет удлиненное внутреннее кольцо с резьбовыми штифтами
- Корпус радиального шарикоподшипника крепится к валу двумя установочными винтами
- плавный ход и хорошее поведение при опрокидывании благодаря расширенному внутреннему кольцу
- статические смещения могут быть компенсированы до угла 2°
- двухкомпонентная система уплотнения: внутри резиновое уплотнение, усиленное шайбой из листовой стали; снаружи дополнительно с передним отражателем из листовой стали для высокой механической защиты от посторонних предметов
- смазка на всю жизнь; при нормальных условиях эксплуатации повторная смазка не требуется
- корпус со встроенным смазочным отверстием
- для защиты от коррозии корпус окрашен; вкладыш подшипника и посадочная поверхность обработаны маслом для защиты от коррозии
- В дополнение к этому артикулу мы также можем предложить подшипники марок FAG, KOYO, NSK, SKF, SNR и др. по запросу.
|
Производитель
|
LPZ |
|
Ширина B
|
121 |
|
Внешний диаметр D
|
167 |
|
Внутренний диаметр d
|
75 |
|
Размер
|
75x167x121 |
|
Вес, кг
|
5 |
|
Модель
|
UCT 215 |
|
SKU
|
UCT215 |
Кроссы подшипников
Поставка Подшипниковый узел UCT 215 75x167x121 LPZ и других подшипников и комплектующих осуществляется для юридических лиц по безналичному расчету. Счета выставляются от 5000 руб. Для части малогабаритных подшипников действует минимальная партия заказа.
Вы можете оформить заказ через корзину сайта или отправить заявку в отдел продаж. После получения заявки менеджер проверит наличие, уточнит стоимость, сроки поставки и подготовит счет. Если требуется помощь с подбором подшипников, аналогов или уточнение технических параметров, менеджеры помогут подобрать подходящее решение.
Отправка заказов по России осуществляется транспортными компаниями:
- СДЭК
- Деловые Линии
- Возовоз
- Энергия
Менеджер согласует сроки отгрузки, стоимость доставки и передачу груза в транспортную компанию.
В связи с наличием нескольких складов срок отгрузки некоторых позиций может составлять от 2 рабочих дней.
Оплата производится по безналичному расчету на основании выставленного счета. Резервирование товара осуществляется после согласования заказа с менеджером отдела продаж.
Отправить запрос на подбор аналога
Гарантийные обязательства подтверждаются документами производителя и действуют при соблюдении условий хранения, монтажа и эксплуатации.
Что покрывает гарантия
Гарантия распространяется на заводские дефекты материалов и изготовления, несоответствие заявленным техническим характеристикам, а также поставку некомплектного изделия согласно спецификации. Факт дефекта подтверждается актом или заключением производителя либо сервисного центра. Срок гарантии определяется паспортом или каталогом производителя и составляет, как правило, до 12 месяцев с даты приёмки товара по УПД/накладной. По отдельным позициям срок может отличаться - уточняйте у менеджера при оформлении заказа.
Гарантия не распространяется на:
- механические и электрические повреждения, следы ударов и коррозии;
- нарушение условий хранения, монтажа, смазки или эксплуатации;
- следы вскрытия или вмешательства, установку нестандартных запчастей;
- повреждения из-за внешних факторов и форс-мажора.
Как обратиться по гарантии
Направьте письмо на info@podshipnikru.com с темой "Гарантия", укажите номер УПД/счёта, опишите дефект и приложите фото или видео. При необходимости изделие направляется на диагностику. Срок рассмотрения заявки - до 10 рабочих дней с момента получения полного пакета документов. По итогам принимается решение о ремонте, замене или возврате средств.
Возврат товара
Возврат товара надлежащего качества возможен по соглашению сторон при условии, что товар не был в эксплуатации, сохранены товарный вид, пломбы и комплектность. Возврат или обмен необходимо согласовать с менеджером до отправки. Доставка товара до нашего склада при возврате в Белгороде осуществляется за счёт покупателя - стоимость транспортных расходов не компенсируется. Возвращается стоимость товара согласно документам поставки.




